| Sign In | Join Free | My chinabagsnet.com |
|
Brand Name : GE
Model Number : IC693CMM311
Place of Origin : USA
MOQ : 1
Price : negotiable
Payment Terms : T/T
Supply Ability : 100
Delivery Time : 5-8 work days
Packaging Details : New in original box
Certification : CE
Brand : GE Fanuc
Model : IC693CMM311
Series : Series 90-30
Product Type : Ethernet Interface Module
Connection Accessories : An AAUI Cable and an External Transceiver
Client Device Operation : Supported
Server Device Operation : Supported
Number of Maximum Server Connections : 16
Number of Ports : 2
Number of LED Indicators : 4
The GE Fanuc IC693CMM321 is an Ethernet Interface module. By implementing this module in a Series 90-30 PLC system, users can connect it to an Ethernet LAN. This is achieved through an AAUI cable and an external transceiver. This set-up enables the PLC system to communicate with hosts and also other control devices that are on the network. The IC693CMM321 interface module has both client and server capabilities. By using the ladder program through the COMMREQ Function Block, the module acts as a client to communicate with other PLCs that contain Ethernet interfaces. When acting as a server, the module only responds to requests. For example, it could respond to another Series 90-30 PLC acting as a client.
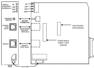
The Ethernet Interface module enables users to do a lot of things such as initiating data transfers from devices to the PLC and simultaneously communicating to multiple devices with up to a maximum of 16 server connections. The IC693CMM321 does have some limitations, however, as the module does not support the Hand-Held Programmer from any model in the Series 90-30, 20 or Micro range. Users can use the module with any series 90-30 system. One or two may be used together by installing them in the baseplate. There is a restart button on the module, which actually has multiple functions aside from just restarting. It can run an LED test, has a Restart and Reload mode as well as a function to Restart and Enter Maintenance Utility. Whenever the front door of the module is closed over, the Restart button cannot be accessed.
The IC693CMM321 module is an Ethernet interface module or TCP/IP module manufactured by GE Fanuc Automation. This unit is part of the Series 90-30 product line and it is engineered to allow the Series 90-30 Programmable Logic Controllers (PLCs) to connect to the Ethernet Local Area Network (LAN). The connection is made by using the AAUI cable as well as the external transceiver and it makes communication with the host devices possible as well as communication with other control devices through the Ethernet network possible. The GE Fanuc IC693CMM321 Ethernet interface TCP/IP module is engineered for use as either a server device or client device. This module serves as a client device while initiating the communication connections of the GE Fanuc PLCs with the Ethernet interfaces. It works as a server device while responding to the requests from various connected devices. This Ethernet interface unit responds to requests from PLCs that act as either host computers or client devices and it uses the Host Communication Toolkit application.
The GE Fanuc IC693CMM321 Ethernet interface module diagnoses and maintains the PLC system, and it executes the transfer of data from the PLC to the other devices. Additionally, this unit helps to communicate with various devices concurrently and it supports up to 16 total server connections. The GE Fanuc Series 90-30 baseplate allows for the installation of either 1 or 2 Ethernet interface modules. However, these modules cannot be used with the GE Fanuc handheld programmers in the Series 90-30, 20, and micro device series. The IC693CMM321 module comes with 4 LED indicators and 2 ports which include the Station Manager port as well as the Firmware Upgrade port. The LED indicators on this unit include the “OK,” “LAN,” “SER,” and “STAT” LEDs.
| Ethernet Interface TCP/IP Module | |
| PLC to an Ethernet network | |
| Initiate transfer of data to the PLC | |
| Comm simultaneously to multiple devices | |
| Interface with other GE Fanuc devices | |
| Communicates from a Host computer |



|
|
GE FANUC IC693CMM321 , Ethernet Interface module , Series 90-30 PLC system Images |